Açıklama
ARMO-JP
Cihaz çıkışında jet akışının sağlanmasıyla akış hattı etrafındaki zehirli gazları kendi akış alanına katarak zehirli gazlara momentum kazandıran ve bu sayede egzoz noktalarına yönlendiren yüksek sıcaklığa dayanıklı fanlardır.
Genel özellikler
- EN 12101-3 ve CE sertifikalarına sahiptir.
- Motor ve fan sistemi susturucu sistemine akupledir.
- 400 C ve 300 C’de 2 saat kesintisiz çalışabilmektedir.
- 315,355 ve 400 mm çaplarda ürünlere sahiptir.
- Özel deflektör tasarımına sahiptir.
- Estetik dış görünüme sahiptir.
- Metal kablo kanallı, IP67 aluminyum terminal kutuludur.
Rotor özellikleri
- Yangına dayanıklı alüminyum alaşımlı döküm kanatlara ve fan göbeğine sahiptir.
- Tek yönlü ve çift yönlü çalışabilme yeteneğine sahiptir.
- Çift yönlü kanat tipinde ters yönde çalışması durumunda herhangi bir aerodinamik kayıp söz konusu değildir.
- Kanatlar aerofoil yapıdadır ve hem tek yönlü hem de çift yönlü kanatlarda yüksek aerodinamik performansa sahiptir.
- Fanın pervane kısmı ISO 1940’a göre dinamik balanslanmaktadır ve fanın çalışması esnasında herhangi bir eksantriklik söz konusu değildir.
- Özel olarak tasarlanmış fan göbeğine sahiptir.
Gövde özellikleri
- Kullanışlı ve montaj kolaylığı sunan kompakt tasarım gövdeye sahiptir.
Motor özellikleri
- 2 ve 4 kutuplu motor seçeneklerine sahiptir.
- Motorlar, IP 55 sınıfındadır ve Class – H yalıtımındadır.
Fan giriş konisi
- Aerodinamik özellikleri ve performansı maksimuma çıkararak ses seviyelerini minimuma indirgemek için özel tasarım fan giriş konisine sahiptir.
Stator
- Aerodinamik özellikleri ve performansı maksimuma çıkararak ses seviyelerini minimuma indirgemek için özel tasarım statora sahiptir.
Giriş konisi
Aerodinamik özellikleri ve performansı maksimuma çıkararak ses seviyelerini minimuma indirgemek için özel tasarım giriş konisine sahiptir.
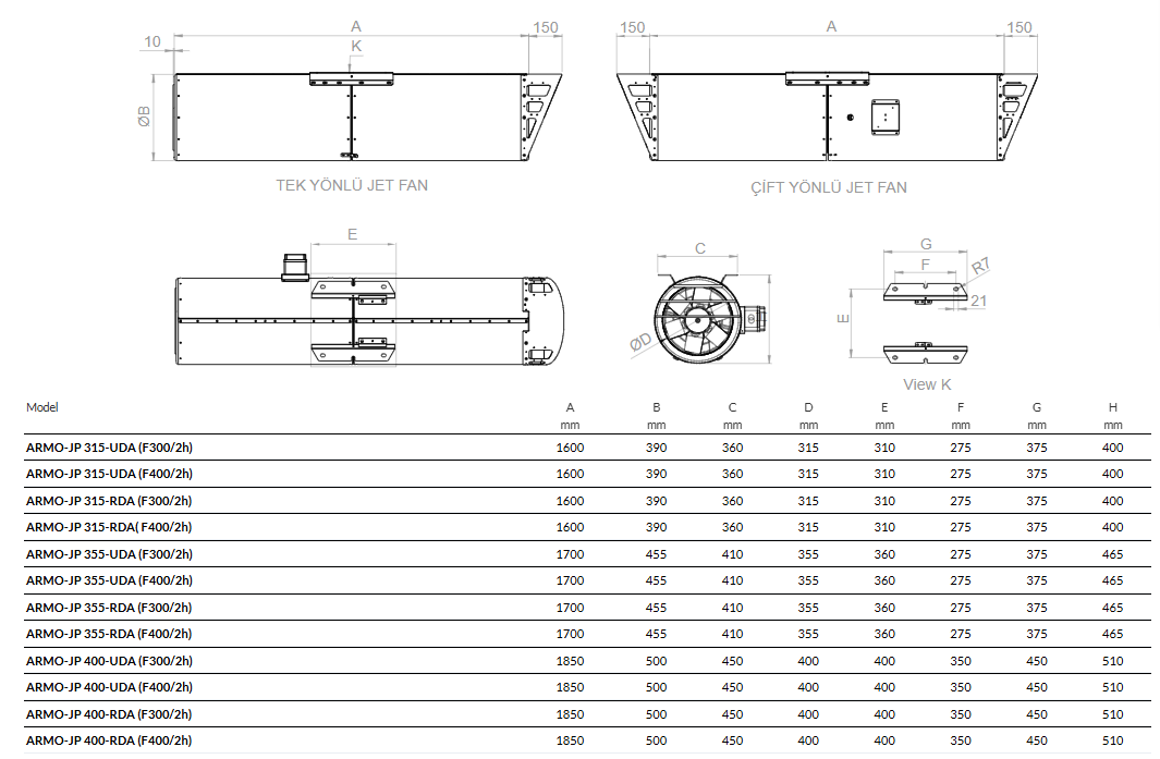
| Model | A | B | C | D | E | F | G | H |
|---|---|---|---|---|---|---|---|---|
| mm | mm | mm | mm | mm | mm | mm | mm | |
| ARMO-JP 315-UDA (F300/2h) | 1600 | 390 | 360 | 315 | 310 | 275 | 375 | 400 |
| ARMO-JP 315-UDA (F400/2h) | 1600 | 390 | 360 | 315 | 310 | 275 | 375 | 400 |
| ARMO-JP 315-RDA (F300/2h) | 1600 | 390 | 360 | 315 | 310 | 275 | 375 | 400 |
| ARMO-JP 315-RDA( F400/2h) | 1600 | 390 | 360 | 315 | 310 | 275 | 375 | 400 |
| ARMO-JP 355-UDA (F300/2h) | 1700 | 455 | 410 | 355 | 360 | 275 | 375 | 465 |
| ARMO-JP 355-UDA (F400/2h) | 1700 | 455 | 410 | 355 | 360 | 275 | 375 | 465 |
| ARMO-JP 355-RDA (F300/2h) | 1700 | 455 | 410 | 355 | 360 | 275 | 375 | 465 |
| ARMO-JP 355-RDA (F400/2h) | 1700 | 455 | 410 | 355 | 360 | 275 | 375 | 465 |
| ARMO-JP 400-UDA (F300/2h) | 1850 | 500 | 450 | 400 | 400 | 350 | 450 | 510 |
| ARMO-JP 400-UDA (F400/2h) | 1850 | 500 | 450 | 400 | 400 | 350 | 450 | 510 |
| ARMO-JP 400-RDA (F300/2h) | 1850 | 500 | 450 | 400 | 400 | 350 | 450 | 510 |
| ARMO-JP 400-RDA (F400/2h) | 1850 | 500 | 450 | 400 | 400 | 350 | 450 | 510 |
×
❮
❯
7/24 Destek
Endüstriyel Havalandırma Çözümleri
Uzman ekibimizle iletişime geçin, size en uygun çözümü sunalım.